FDSS-GX from Hamamatsu is the highest-performance kinetic plate imager in the FDSS series, improved for 96-, 384-, and 1536-well for trustworthy and firm high throughput screening (HTS), allowing entire microplate imaging and concurrent injections to all wells.

High-sensitivity imaging with qCMOS sensor has been obtained by the system, along with highly precise and repeatable micro-dispensing by using a 1536 ch dispensing unit that has the potential to dispense variable volumes. By integrating optional parts, a robot-free semi-automation system could be created as per the usage of the customer.

Features

1. 1536 ch manifold pipettor head with independent metal piston cylinders

Dispensing precision and repeatability are significant factors in executing assays. The FDSS-GX obtains highly precise and repeatable micro-dispensing by adopting a 1536 ch dispensing unit with the potential of dispensing variable volumes. This dispensing unit consists of independent metal piston cylinders and dispensing tips dedicated to the FDSS-GX.

Dispensing units in 96 ch and 384 ch are available.

FDSS-GX Kinetic Plate Imager for HTS

Dispensing unit (1536 tip type) A15623-28. Image Credit: Hamamatsu Photonics Europe GmbH

FDSS-GX Kinetic Plate Imager for HTS

1536 black tip (10 racks) for FDSS-GX A8687-82. Image Credit: Hamamatsu Photonics Europe GmbH

Dispensing performance

The figure below displays the fluorescence intensity change in time and plate image when B-beads were dispensed into a 1536 microplate (5 µL/well), displaying a CV of 1.89% following dispensing.

The 1536 ch dispensing unit with separate metal piston cylinders and dispensing tips steadfast to FDSS offers the best dispensing performance.

FDSS-GX Kinetic Plate Imager for HTS

Image Credit: Hamamatsu Photonics Europe GmbH

2. High sensitivity and high-resolution imaging with qCMOS sensor

The high-sensitivity qCMOS sensor is a standard in the FDSS-GX optical system.

In luminescence and fluorescence measurements, high quantitative performance has been obtained for low-light imaging, and the assay window has been extended as a result of the sensor’s extensive dynamic range, allowing measurement with an extensive linearity range.

The qCMOS sensor allows imaging of the entire plate due to the large sensor size and facilitates high-resolution measurement.

Detection sensitivity in fluorescence

In fluorescence measurements, the FDSS-GX can detect 0.03 nM Fluorescein (exposure time: 50 ms).

The graph below displays the fluorescence count and S/N ratio for titrated concentrations of Fluorescein, and the image below shows the 384 microplate.

FDSS-GX Kinetic Plate Imager for HTS

Fluorescein concentration vs. RFU. Image Credit: Hamamatsu Photonics Europe GmbH

FDSS-GX Kinetic Plate Imager for HTS

S/N ratio. Image Credit: Hamamatsu Photonics Europe GmbH

FDSS-GX Kinetic Plate Imager for HTS

Microplate image (384 microplate). Image Credit: Hamamatsu Photonics Europe GmbH

Detections sensitivity in luminescence

As per calculation, the FDSS-GX could detect 3.9 fg Luciferase in luminescence measurements (exposure time: 5 seconds).

For titrated concentrations of Luciferase, the graph below illustrates the luminescence count, and the image below displays the 384 microplate.

FDSS-GX Kinetic Plate Imager for HTS

Luciferase (pg/well) vs. RLU. Image Credit: Hamamatsu Photonics Europe GmbH

FDSS-GX Kinetic Plate Imager for HTS

Microplate image (384 microplate). Image Credit: Hamamatsu Photonics Europe GmbH

Comparison of whole plate imaging

The qCMOS sensor makes it feasible to image the whole plate due to the large sensor size and allows high-resolution measurement.

FDSS-GX Kinetic Plate Imager for HTS

Image Credit: Hamamatsu Photonics Europe GmbH

3. High-precision epifluorescence optical system with high power and long-life Xe lamp

The FDSS-GX consists of a high-accuracy epifluorescence optical system that includes high power and long-life Xe lamp that is built in-house. The combination of the Xe lamp and the steadfast dichroic mirrors/optical filters allows measurement with the help of several fluorescent dyes in the UV to IR range.

FDSS-GX Kinetic Plate Imager for HTS

Image Credit: Hamamatsu Photonics Europe GmbH

Table 1. Source: Hamamatsu Photonics Europe GmbH

  User application
Excitation filter 1 Excitation filter 2 Shortpass filter Dichroic mirror Emission filter 1 Emission filter 2
Fura-2 (Ca2+) 340 nm* 387 nm* SPF 495 UV* 520 nm ∼ 560 nm -
SBFI (Na+) 340 nm* 387 nm* SPF 495 UV* 520 nm ∼ 560 nm -
PBFI (K+) 340 nm* 387 nm* SPF 495 UV* 520 nm ∼ 560 nm -
MQAE, diH-MEQ (CI-) 387 nm* - SPF 495 UV* 440 nm ∼ 470 nm* -
DAPI (DNA) 387 nm* - SPF 495 UV* 440 nm ∼ 470 nm* -
Hoechst33258 387 nm* - SPF 495 UV* 440 nm ∼ 470 nm* -
VSP-1 387 nm* - SPF 400* For VSP* 466 nm* 560 nm*
CFP/YFP 438 nm* - SPF 450* For C/Y* 483 nm* 542 nm*
HYPER 425 nm* 483 nm* SPF 495 For HYPER* 520 nm ∼ 560 nm -
Fluo-8 (Ca2+) 472 nm - SPF 495 B 520 nm ∼ 560 nm -
Cal-520 (Ca2+) 472 nm - SPF 495 B 520 nm ∼ 560 nm -
Sodium Green (Na+) 472 nm - SPF 495 B 520 nm ∼ 560 nm -
FluxOR (K+) 472 nm - SPF 495 B 520 nm ∼ 560 nm -
BCECF (pH) 472 nm - SPF 495 B 520 nm ∼ 560 nm -
FluoVolt 472 nm - SPF 495 B 520 nm ∼ 560 nm -
GFP 472 nm - SPF 495 B 520 nm ∼ 560 nm -
FITC 472 nm - SPF 495 B 520 nm ∼ 560 nm -
YFP 472 nm - SPF 495 For YFP* 520 nm ∼ 560 nm -
JC-1 531 nm - SPF 550 For JC-1* 593 nm -
CoroNa Red (Na+) 531 nm - SPF 550 For FMP 593 nm -
FMP 531 nm - SPF 550 For FMP 593 nm -
Cal-590 (Ca2+) 531 nm - SPF 550 For FMP 593 nm -
Rhodamine 531 nm - SPF 550 For FMP 593 nm -
Cal-630 (Ca2+) 605 nm* - SPF 630* For RED* 676 nm* -
Nano-BRET - - - - 461 nm* 647 nm*

 

*: Option

The wavelength value in the table above may not correspond to the typical excitation/emission wavelength for each application.
Depending on the application, we offer filter sets suitable for the FDSS-GX optical system. Please contact your Hamamatsu representative for further information.

4. Plate stacker unit for semi-automation

The FDSS-GX could automatically transfer compound plates and assay plates using two transfer lines: rear and front. A plate stacker unit consisting of a large-capacity cassettes for up to 20 microplates is available for robot-free semi-automation

FDSS-GX Kinetic Plate Imager for HTS

FDSS-GX inner layout. Image Credit: Hamamatsu Photonics Europe GmbH

FDSS-GX Kinetic Plate Imager for HTS

Plate stacker unit. Image Credit: Hamamatsu Photonics Europe GmbH

Applications

Fluorescence applications

Ca2+ assays

Fluo-8, Calbryte, -520, -590, -630 AM, Fura-2

FDSS-GX Kinetic Plate Imager for HTS

FDSS-GX Kinetic Plate Imager for HTS

Evaluation of ATP dose response using Fluo-8 AM-stained CHO cells. Image Credit: Hamamatsu Photonics Europe GmbH

Membrane potential assays

FluoVolt, SQMP, FMP

Other ion channel assays

K+: FluxOR*, Na+: ANG2, Sodium Green, Cl-: YFP, diH-MEQ

*Potassium ion channel screening using Tl+ is available

FDSS-GX Kinetic Plate Imager for HTS

K+ assay in CHO cells using FluxOR. Image Credit: Hamamatsu Photonics Europe GmbH

FRET assays

CFP/YFP, fluorescence probe, voltage sensor probe, fluorescence protein

FDSS-GX Kinetic Plate Imager for HTS

FDSS-GX Kinetic Plate Imager for HTS

Evaluation of Nav 1.5-CHO cells using FRET-type voltage sensitive dye (VSP). Image Credit: Hamamatsu Photonics Europe GmbH

iPSC-derived cells

FDSS-GX Kinetic Plate Imager for HTS

FDSS-GX Kinetic Plate Imager for HTS

Ca2+ transient and membrane potential measurements using iPS cell-derived cardiomyocytes. Image Credit: Hamamatsu Photonics Europe GmbH

Luminescence applications

Ca2+ assays

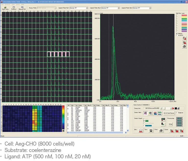
Aequorin

FDSS-GX Kinetic Plate Imager for HTS

Intracellular Ca2+ assay by luminescence using an aequorin-expressing cell line. Image Credit: Hamamatsu Photonics Europe GmbH

FDSS-GX Kinetic Plate Imager for HTS

Ca2+ assay using aequorin-expressing cells. Image Credit: Hamamatsu Photonics Europe GmbH

BRET assays

BRET1, BRET2, NanoBRET

FDSS-GX Kinetic Plate Imager for HTS

BRET assay using CHO cells. Image Credit: Hamamatsu Photonics Europe GmbH

FDSS-GX Kinetic Plate Imager for HTS

Principle of β-arrestin BRET1-assay. Image Credit: Hamamatsu Photonics Europe GmbH

In CHO cells, Rluc - D2s receptors and eYFP – β-arrestin 2 are expressed, and Rluc and eYFP BRET taking place in cells when Ligand has been added are identified.

cAMP assays

GloSensor

FDSS-GX Kinetic Plate Imager for HTS

cAMP evaluation using GloSensor. Image Credit: Hamamatsu Photonics Europe GmbH

FDSS-GX Kinetic Plate Imager for HTS

Analysis of time course of cAMP using HUVEC expressing GloSensor (Promega). Image Credit: Hamamatsu Photonics Europe GmbH

Cell number evaluation using CytoTox-Glo cytotoxicity Assay

FDSS-GX Kinetic Plate Imager for HTS

FDSS-GX Kinetic Plate Imager for HTS

Cell number evaluation using CytoTox-Glo cytotoxicity Assay. Image Credit: Hamamatsu Photonics Europe GmbH

Specifications

Table 2. Source: Hamamatsu Photonics Europe GmbH

. . .
Dispensing units 1536 tip type A15623-28 1 µL to 5 µL
384 tip type A10118-26 1 µL to 30 µL
96 tip type A10118-24 10 µL to 200 µL
Fluorescence and luminescence detector Hamamatsu qCMOS sensor dedicated to FDSS
Number of sampling data points 1 to 50 000 sampling
Sampling rate 10 Hz (10 data points per second) minimum
120 Hz (120 data points per second) maximum*
Sampling interval 0.1 s minimum
0.0083 s minimum*
Excitation light source Xe lamp
Optical filters can be selected
Plate shaking function Adjustable in 256 steps
Revolutions per minute: 0~3000 rpm
Heater unit Temperature control part FDSS-GX Main unit chamber (whole upper half)
Configurable temperature +40 ºC maximum
Tip loading Use Automatic tip loader A15623-07
Number of plate loading lines Front loader × 1 Rear loader × 1
Number of plate positions Assay plate Front loader × 1
Compound plate Rear loader × 1, Compound plate stage (manual exchange) × 3
Number of tip washer positions 3 units maximum (Total with/without high power ultrasonic function, deep reservoir)
Number of dispensing unit positions 2 units maximum (same tip type only)
Compatible dispensing tip 1536 / 384 / 96 black tips dedicated to FDSS, A8687 series
Disposable type
Compatible microplate Clear bottom black 1536 / 384 / 96 plates
SBS format height 10 mm minimum
Power supply specifications Single phase AC 100 V ~ 240 V, 50 Hz / 60 Hz
Power consumption C15711-02: approx. 3115 VA
C7903-13: approx. 660 W
Required supply line: 15 A × 3 lines
Ambient operating temperature +15 ºC to 30 ºC
Dimensions/Weight Main unit 1437 (W) × 850 (D) × 1467 (H) mm / approx. 320 kg
Data analysis unit 570 (W) × 880 (D) × 943 (H) mm / approx. 82 kg
Plate stacker set 437 (W) × 580 (D) × 1340 (H) mm / approx. 36 kg
Washing rack 616 (W) × 924 (D) × 1038 (H) mm / approx. 19 kg
Circulating water cooler 222 (W) × 386 (D) × 649 (H) mm / approx. 26 kg
Automatic tip loader 233 (W) × 289 (D) × 447 (H) mm / approx. 21 kg

 

* When using FDSS software option High speed acquisition option U8524-11

Other Equipment by this Supplier

While we only use edited and approved content for Azthena answers, it may on occasions provide incorrect responses. Please confirm any data provided with the related suppliers or authors. We do not provide medical advice, if you search for medical information you must always consult a medical professional before acting on any information provided.

Your questions, but not your email details will be shared with OpenAI and retained for 30 days in accordance with their privacy principles.

Please do not ask questions that use sensitive or confidential information.

Read the full Terms & Conditions.